Position: Home > Circuit Diagram > Index 1268
Low Cost Custom Prototype PCB Manufacturer

Circuit Diagram

Index 1268

Pulse_width_modulator

Published:2009/7/25 3:37:00 Author:Jessie

Pulse_width_modulator
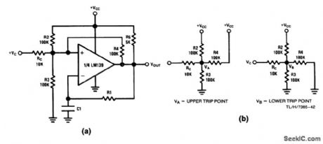
With this circuit, the values of R1 and C1 can be varied to produce any desired center frequency from less than 1 Hz to the maximum frequency of the LM139 comparator (which will be limited by + VCC and the output slew rate). The duty cycle of the output square wave is altered if the input control voltage is moved above or below ground, because the change in control voltage alters the comparator trip points. These trip points can be found if the circuit is simplified, as shown in Fig. 5-19B.   (View)

View full Circuit Diagram | Comments | Reading(1)

Bistable_multivibrator

Published:2009/7/25 3:35:00 Author:Jessie

Bistable_multivibrator
With this circuit, a pulse at the SET input causes the output to go high.A pulse at the RESET input pulls the output low. If both Q and Q outputs are needed, another LM139 comparator can be added (as shown in dashed lines).   (View)

View full Circuit Diagram | Comments | Reading(0)

DIRECTlONAL_WATrMETER

Published:2009/6/28 22:50:00 Author:May

DIRECTlONAL_WATrMETER
Gives 1070 accuracy between about 100 kHz and 70 MHz. Fullscale values of ranges are 1,10,100, and 1000 W. Low resistance in secondary circuit of current transformer is split into two equal parts, so sum and difference voltages are available at ends of secondary. Meters then indicate forward and reflected power values. For 50ohm line, use 220 for R2 and 27 for R3 and R4. For 75-ohm line, corresponding values are 180 and 33.Detector diodes are point-contact germanium rated at 80 PIV. Artide gives construction details. Ground coax braid at one end only. Ferrite 4ecring is 0.5-inch Mullard FX1596 or equiva-lent.-P. G. Martin, Some Directional Wattme-ters and a Novel SWR Meter, 73 Magazine, Aug.1974, p 17, 19-21, 23-24, and 26.   (View)

View full Circuit Diagram | Comments | Reading(1346)

Multivibrator_with_input_lock_out

Published:2009/7/25 3:34:00 Author:Jessie

Multivibrator_with_input_lock_out
With this circuit, pulse width is independent of supply voltage, and a 99% duty cycle is possible. Input trigger amplitude is set by R1, R2, R3, R4, and R10. When triggered, the output is high, causing the voltage at the noninverting input of comparator 1 to go to +VCC. This prevents any additional input pulses from disturbing the circuit until the output pulse has been completed. Pulse width is set by R6, R9, and C1.   (View)

View full Circuit Diagram | Comments | Reading(665)

One_shot_multivibrator

Published:2009/7/25 3:32:00 Author:Jessie

One_shot_multivibrator
This simple one-shot multivibrator uses one section of an LM139 comparator.Output pulse width is set by C2/R4.Input trigger amplitude is set by R1/R2.   (View)

View full Circuit Diagram | Comments | Reading(0)

RF_MAGNETOMETER

Published:2009/6/28 22:50:00 Author:May

RF_MAGNETOMETER
Measu res RF radiation and current distribution for antennas, transmission lines, ground leads, building wiring, and shields. Can also be used as sensitive portable field-strength meter. Will indicate orientation of field. High-Q circuit is tunable from 1.8 to 150 MHz for indicating frequency of fields produced by RF harmonic, Applications inplude detecting reradiation from rain gutters, metal fencing, towers, and guy wires that are distorting antenna field pattems, and detecting radiation from ground leads, appliance power cords, and hidden building wiring. When used as probe, will accurately pinpoint leakage of RF energy from joints, holes, or slots in shielded enclosures. Operation is similar to absorption-type wavemeter, except that pickup coil is electrostatically shielded by slotted aluminum IF trans-former can to eliminate capacitive coupling. Inductor is wound on ferrite coil to give very high a as pickup element.-W. M. Scherer, An R. F.Magnetometer and Field Strength Meter, CQ, April 1971, p 16-20.   (View)

View full Circuit Diagram | Comments | Reading(2255)

The radar energy-saving lamp base circuit

Published:2011/7/21 3:13:00 Author:Seven | Keyword: energy-saving lamp

The radar energy-saving lamp base circuit
The radar energy-saving lamp base is actually a human body microwave sensor switch. When people come into the effective range, the light will glow on its own and put out after the delayed time. If the people are in the range all the time, the lamp is going to glow. The radar energy-saving lamp is equipped with the light control function, which makes the lamp only work at night. In the figure is the radar energy-saving lamp base circuit.   (View)

View full Circuit Diagram | Comments | Reading(769)

Alternate_lovo_frequency_sine_wave_generator

Published:2009/7/25 3:32:00 Author:Jessie

Alternate_lovo_frequency_sine_wave_generator
Compare this circuit (which requires two LM108s) to that of Fig.5-11.   (View)

View full Circuit Diagram | Comments | Reading(643)

The e-bike circuit

Published:2011/7/21 3:07:00 Author:Seven | Keyword: e-bike

The e-bike circuit
  (View)

View full Circuit Diagram | Comments | Reading(4273)

DISTRIBUTOR_POINT_TACHOMETER

Published:2009/6/28 22:48:00 Author:May

DISTRIBUTOR_POINT_TACHOMETER
555 timer receives its input pulses from distributor points of car. When timer output (pin 3) is high, meter receives calibrated current throung R6. When IC times out, meter current stops for remainder of duty cycle. Integration of varoable duty cayle by meter movement serves to provide visible indication of engine speed.- Signestic Analog Data Manula, Signetics, Sunnyvale, CA, 1977, p 724-725.   (View)

View full Circuit Diagram | Comments | Reading(1050)

The DC motor control circuit

Published:2011/7/21 2:40:00 Author:Seven | Keyword: DC motor, control circuit

The DC motor control circuit
  (View)

View full Circuit Diagram | Comments | Reading(696)

The necessary control unit circuit

Published:2011/7/21 2:41:00 Author:Seven | Keyword: control unit

The necessary control unit circuit
  (View)

View full Circuit Diagram | Comments | Reading(810)

10_kHz_SFERICS_RECEIVER

Published:2009/6/28 22:42:00 Author:May

10_kHz_SFERICS_RECEIVER
Developed to measure direction and strength of atmospheric electromagnetic radiation(sferics)associated with severe weather conditions,for detection and tracking of tomadoes. Signals from crossed loop antennas feed deflection amplifier of CRO.Article covers problems involved and gives circuit for sense amplifier that resolves 180°ambiguity in oscilloscope pattern,-R W Fergus、A Ham Radio Severe Weather Warning Net,73 Magazine.Sept,1974、p 27-30、32、34-36、and 38-39   (View)

View full Circuit Diagram | Comments | Reading(2743)

74 Series digital circuit of 74276 four JK flip-flop

Published:2011/7/29 1:47:00 Author:Lucas | Keyword: 74 Series , digital circuit, four JK flip-flop

74 Series digital circuit of 74276 four JK flip-flop
It has the negative edge trigger with lag effect, and the clock is independent, then the hysteresis is typically 200mv; typical clock input frequency is 50MHz; it has buffer output.Unsteady state. When the preset and clear goes high at the same time, the state will not be maintained. Q0 = the output level of Q before establishing the steady-state input conditions.   (View)

View full Circuit Diagram | Comments | Reading(1554)

PROTECTION_FOR_ORP_TUNING

Published:2009/6/28 22:41:00 Author:May

PROTECTION_FOR_ORP_TUNING
Simple resistive SWR bridge provides dummy load, relative power output indicator, and safe method of tuning transmitter without destroying transistors because of mismatched load. Input divider R1-R4 has total resistance of 50 ohms, using 1/2-W composition resistors, for dissipating transmitter output when S1 is in TUNE position. M1 indicates relative power applied to this load. Antenna is connected through Transmatch, and antenna tuner is adjusted for minimum deflection or lowest SWR. RE isolates transmitter from antenna. With S1 in OPERATE position, M1 indicates relative power output into antenna.-A S. Woodhull, Simplified Output Metering Protects QRP Transmitters, QST, April 1977, p 57.   (View)

View full Circuit Diagram | Comments | Reading(2452)

ACTIVE_ANTENNA

Published:2009/6/28 22:41:00 Author:May

ACTIVE_ANTENNA
Uses tuned loop with relatively low a for broadband operation over one amateur band, phase-coupled by FET to 10-inch vertical sensing antenna to give unidirectional reception pattern. Loop is tuned to either 80 or 40 meters by trimmer capacitor at its base. Out.put of loop is coupled to another 3N142 FET used as source follower, to isolate output of loop from heavy loading eff ect of 50-ohm transmission line going to receiver. Performance is comparable to that of full-size quarter-wave vertical antenna on 40 meters. Battery source can be used because drain is only about 2 mA.-J. J. Schultz, An Experimental Miniature Antenna for 40 to 80 m, 73 Magazine, June 1973, p29-32.   (View)

View full Circuit Diagram | Comments | Reading(0)

_5_V_from__5_V_at_low_power

Published:2009/7/25 4:13:00 Author:Jessie

_5_V_from__5_V_at_low_power
Figure 8-120 shows a MAX639 PFM regulator connected to provide -5 V at low power. Figure 8:121 shows the efficiency curves. The input voltage range is 1.2 V to 6 V, with a no-load start-up of 1 V, a quiescent current of 35 μA (VIN = 5 V), a maximum load current of 80 mA (VIN = 4.75 V), and a shutdown current of 10 μA. MAXIM BATTERY MANAGEMENT CIRCUIT COLLECTION, 1994, P. 59.   (View)

View full Circuit Diagram | Comments | Reading(619)

IC_VCO_with_multi_channel_FSK_operation

Published:2009/7/25 4:12:00 Author:Jessie

IC_VCO_with_multi_channel_FSK_operation
This circuit is similar to that of Fig.5-36.except that the XR-2207 is connected for square and triangle FSK outputs,Mark and space frequencies f1 and f2 are selected by the choice of R1 through R3 and C,as shown by the equations of Fig.5-36D The keying signal is applied at pin 9.If only a single FSK channel is used connect pin 8 to V+or ground, and omit the remaining timing resistors.Notice that f1 and f2 can be fine tuned using the pots. Set f1 first with pin 9 low.Because frequency stability is related directly to the timing components, use parts with low Tc. Typical drift for 0℃ to 75℃ is± 0.2%.   (View)

View full Circuit Diagram | Comments | Reading(1108)

WIPER_CONTBOL

Published:2009/6/28 22:40:00 Author:May

WIPER_CONTBOL
Operates wipers automatically at intervals, as required for very light rain or mist. Changing 560K resistot to 500K pot in series with 100K fixed resistor gives variable control of interval.-Circuits, 73 Magazine, July 1977, p 34.   (View)

View full Circuit Diagram | Comments | Reading(695)

IC_VCO_with_sawtooth_and_pulse_outputs

Published:2009/7/25 4:11:00 Author:Jessie

IC_VCO_with_sawtooth_and_pulse_outputs
This circuit is similar to that of Fig. 5-36, except that simultaneous triangle and square outputs are available. The duty cycle of the outputs is controlled by R2/R3, while the frequency is set by C, R2/R3, as shown by the equations. See Conditions in Fig. 5-36B.   (View)

View full Circuit Diagram | Comments | Reading(791)

Pages:1268/2234 At 2012611262126312641265126612671268126912701271127212731274127512761277127812791280Under 20