Published:2009/7/25 2:05:00 Author:Jessie
This circuit provides 5-V output for 8- to 16-V input, with about 10-mA quiescent current. (View)
View full Circuit Diagram | Comments | Reading(729)
Published:2009/6/28 23:34:00 Author:May
Can be used with FM tuner in place of more expensive audio am-plifier. For stereo, use one LM386 circuitfor each channel. Can be mounted directly on headphones if weight of battery is not objectionable.-J.A. Sandler, 11 Projects under $11,Modem Electronics, June 1978, p 54-58. (View)
View full Circuit Diagram | Comments | Reading(0)
Published:2009/6/28 23:34:00 Author:May
High-level reference or carrier signal and low-level reference signal are applied to multiplier inputs of Exar XR-S200 PLL IC. If both inputs are same frequency, DC output is proportional to phase angle between inputs. For low-level inputs, conversion gain is proportional to input signal amplitude. For high-level inputs (VS above 40 mVRMS), conversion gain is constant at about 2 V/rad.— Phase-Locked Loop Data Book, Exar Integrated Systems, Sunnyvale, CA, 1978, p 9-16. (View)
View full Circuit Diagram | Comments | Reading(1)
Published:2009/7/25 2:04:00 Author:Jessie
This circuit combines a Norton with a P-channel JFET to procDuce.a fast op amp. External compensation capacitance CC is required to accommodate u any additional phase shift at the input. Figure 11-21B shows circuit performance for various values of CC. (View)
View full Circuit Diagram | Comments | Reading(1051)
Published:2011/8/1 20:11:00 Author:Lucas | Keyword: 74 Series, digital circuit , VCO, dual-phase output , controlling)
Output frequency is determined by the external components; it can works in the frequency of 30 ~ 120Hz; if the input is added 2V voltage in the frequency controlling range, the output frequency is approximately 0.0001CEXT , and there is complementary out.
(View)
View full Circuit Diagram | Comments | Reading(1194)
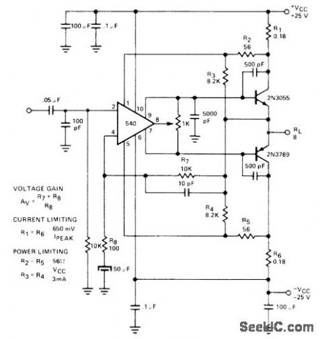
Published:2009/6/28 23:34:00 Author:May
Signetics 540 drives complementary output transistors to give high output current for driving 8-ohm loudspeaker. Feedback is adjusted to give AC gain of 40 dB. Gain rolls of to unity at DC to prevent DC offset voltages from being amplified to level that might damage loudspeaker circuit. Power limiting is provided by placing resistor network around output stage.- Signetics Analog Data Manual, Signetics, Sunnyvale, CA, 1977, p 762-763. (View)
View full Circuit Diagram | Comments | Reading(958)
Published:2009/7/25 2:04:00 Author:Jessie
This circuit provides±15 V at 100 mA, with only 10-mA quiescent current (IQ). (View)
View full Circuit Diagram | Comments | Reading(747)
Published:2009/6/28 23:31:00 Author:May


Used with capacitor-discharge ignition system to provide tachometer output along with engine speed control signal. When breaker contacts open, C1 charges and turns Tr1 on, triggering 555 timer used in mono MVBR mode, Resulting positive pulse from 555 fires control SCR through D6 and C6. When contacts dose, D2 isolates C1 to reduce effect of contact bounce. With values shown, for speed limit between 8000 and 9000 rpm, use 0.068 μF for C4 with four-cylinder engine, 0.047 pF for six cylinders, and 0.033 μF for eight cylinders; LED across breaker contacts can be used for setting static timing.-K. Wevill, Trigger Circuit for C.D.l. Systems, Wireless World, Jan. 1978, p 58 (View)
View full Circuit Diagram | Comments | Reading(2753)
Published:2009/7/25 1:47:00 Author:Jessie


This circuit shows both sections of a dual Norton used to form a bi-quad filter. Figures 11-15B and 11-15C show the design equations and bias equations, respectively. Note that the basic circuit can be connected to provide three types of filter action. With type I, VO1 is a band-pass, and VO2 is a low-pass. With type II, VO1 is high-pass and VO2 is band-pass. With type II, VO1 is notch or band-reject, and VO2 is not used. Note that one section of the Norton is connected as a noninverting integrator (Fig. 11-14), and the other section is inverting. The circuit provides satisfactory operation up to about 2 MHz. (View)
View full Circuit Diagram | Comments | Reading(1066)
Published:2011/8/1 1:25:00 Author:Lucas | Keyword: 74 Series , digital circuit , dual voltage-controlled oscillator, single-phase output
Two independent voltage-controlled oscillators; external components can determine the output frequency; it works in any frequency between 0.12 and 30MHz.
(View)
View full Circuit Diagram | Comments | Reading(728)
Published:2009/7/25 1:45:00 Author:Jessie


This circuit inverts the output (negative out for positive in) and either steps up or steps down in the input. Typical performance data, switching waveforms, and component source information are given in Figs. 4-34B, 4-34C, and 4-34D, respectively. (View)
View full Circuit Diagram | Comments | Reading(569)
Published:2009/6/28 23:31:00 Author:May
Voltage proportional to distortion is amplified for use in reducing nonlinear distortion at output, in circuit developed for use as single-ended power amplifier. Power Darlingtons are MJ4000 and MJ4010, and both opamps are 741, Preset 5K pot is adjusted initially for minimum distor-tion. Artide gives theory of operation and design equations,-A. M. Sandman, Reducing Amplifier Distortion, Wireless World, Oct. 1974, p 367-371 (View)
View full Circuit Diagram | Comments | Reading(760)
Published:2009/7/25 1:43:00 Author:Jessie
This circuit converts 6-V to a 48-V(adjustable)output. (View)
View full Circuit Diagram | Comments | Reading(608)
Published:2009/6/28 23:30:00 Author:May
Single comparator can be programmed for wide variety of applications. One reference input voltage positions center of window, and other sets width of window. Sum or difference of reference voltages must not exceed ±10 V; if larger voltages must be handled, add voltage divider to scale them down into comparison range. A1 is subtractor, generating voltage Eb - Ea for use as lower limit voltage. Lower limit is added to 2Eb at A2 to derive upper Iimit voltage Eb + Ea.-W. G. Jung, IC Op-Amp Cookbook, Howard W. Sams, Indianapolis, IN, 1974, p 232-233. (View)
View full Circuit Diagram | Comments | Reading(570)
Published:2011/7/25 3:48:00 Author:Lucas | Keyword: 74 Series , digital circuit , octal D flip-flop, tristate
Edge-triggered D flip-flop; the minimum Voh level is 3.65V; 74LS374 is similar with the circuit, but the typical minimum VOH is 2.4V.
Q0 = the output level before establishing the steady-state input conditions.
(View)
View full Circuit Diagram | Comments | Reading(883)
Published:2009/6/28 23:30:00 Author:May
High Inputimpedance of RS741C opamp permits use withany general-purpose crystal microphone R2 is volume control,and R3 controls gain and frequency response of IC Power transistor stagedrives loudspeaker directly without outputtransformer、-F M、Mims,″Integrated Circuit Proiects、vol,6、″Radio Shack,Fort Worth,TX,'1977 p 79-88 (View)
View full Circuit Diagram | Comments | Reading(1426)
Published:2011/7/25 3:45:00 Author:Lucas | Keyword: 74 Series, digital circuit , octal D flip-flop, tristate


Q0 = the output level before establishing the steady-state input conditions.
Edge-triggered D flip-flop; the minimum Voh level is 3.65V; 74LS374 is similar with the circuit, but the typical minimum VOH is 2.4V.
(View)
View full Circuit Diagram | Comments | Reading(806)
Published:2009/7/25 2:01:00 Author:Jessie
This circuit converts 5 V to±15 V at 25 mV、withouta transformer,and with only one ilnexpenslve inductor . (View)
View full Circuit Diagram | Comments | Reading(752)
Published:2009/7/25 2:00:00 Author:Jessie
The programmability of a Norton and the ability to shut off thenoninverting input current mirror can be used to Improve nolse characteristics. For an inverting application, where the noninverting input would only be used for bias, an alternate biasing scheme (the nVBE biasing) can be used as shown in Fig. 11-20A. This allows shutting off the input current mirror, which, in itself, reduces input noise by a factor of two. Also, the input-stage programming current can be increased to further reduce the noise voltage at the expense of an increase in input noise current and low-frequency 1/f noise (which is generally not a problem in low-input-impedance wideband amplifiers). The typical effect on noise versus input-stage current is shown in Figs. 11-20B and 11-20C. (View)
View full Circuit Diagram | Comments | Reading(733)
Published:2011/7/21 2:49:00 Author:Seven | Keyword: light dependent tube, detection circuit
The high-speed isolator computing amplifier circuit of sensor OPA404
Function: used in photoelectric detection, medical devices, sonar and ultra-sonic detection and other areas.
(View)
View full Circuit Diagram | Comments | Reading(569)
| Pages:1262/2234 At 2012611262126312641265126612671268126912701271127212731274127512761277127812791280Under 20 |