Published:2009/6/19 2:03:00 Author:May
The switch shown selects 1to 2 inputs and uses a National LM1203. The slew rate is 4-V p-p into390 Ω in 5 to 7 ns. (View)
View full Circuit Diagram | Comments | Reading(732)
Published:2009/6/19 2:02:00 Author:May



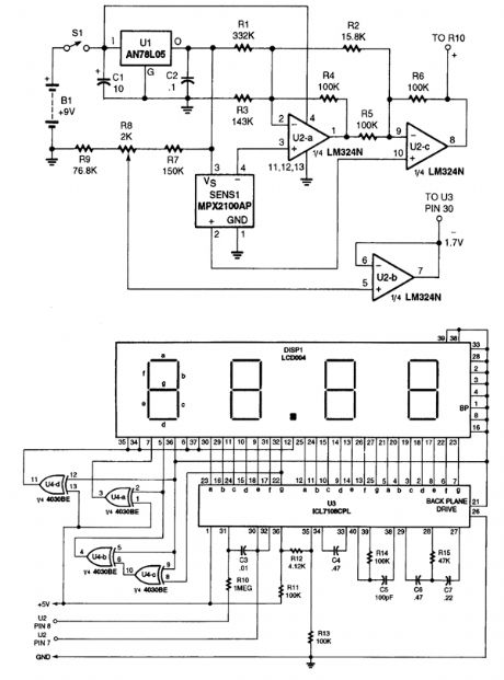
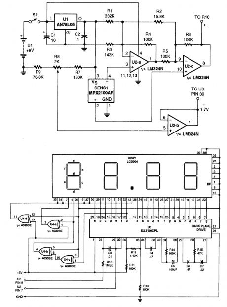
A pressure sensor is used in this application. This outputs a voltage to amplifier U2, and a 3 1/2 digit A/D converter module. It is calibrated to read barometric pressure in inches of mercury. (View)
View full Circuit Diagram | Comments | Reading(1010)
Published:2009/6/19 2:02:00 Author:May
The Mini-Megaphone is comprised of an elec-tret microphone (MIC1), and LM386 low-voltage audio-power amplifier (U1), a horn speaker (SPKR1), and a few other components. (View)
View full Circuit Diagram | Comments | Reading(6)
Published:2009/6/19 2:01:00 Author:May
Build this interference trap to help block strong shortwave, broadcast, and FM stations from corning in on the shortwave bands. (View)
View full Circuit Diagram | Comments | Reading(966)
Published:2009/6/19 2:01:00 Author:May
This amplifier can drive ±90 V at 10A, more than twice the output swing of the LM12. The IC provides current and power limiting for the discrete transistors. (View)
View full Circuit Diagram | Comments | Reading(2098)
Published:2009/6/19 2:00:00 Author:May
View full Circuit Diagram | Comments | Reading(685)
Published:2009/6/19 2:00:00 Author:May
This dc-controlled switch uses an optoisola- tor/coupler, U1, to electrically isolate the input signal from the output-control device. (View)
View full Circuit Diagram | Comments | Reading(901)
Published:2009/6/19 1:59:00 Author:May
View full Circuit Diagram | Comments | Reading(1)
Published:2009/6/19 1:59:00 Author:May
This channel selector selects video and stereo audio from any one ofthree different sources. The circuit should be constructed on a PC board with plenty of ground plane to minimize noise. (View)
View full Circuit Diagram | Comments | Reading(1850)
Published:2009/6/19 1:59:00 Author:May
Selecting IF bandpass filters via series/shunt PIN-diode switching can be accomplished with this circuit. (View)
View full Circuit Diagram | Comments | Reading(899)
Published:2009/6/19 1:58:00 Author:May
These bridge connections provide differential outputs that approach twice the total supply voltage. Diode bridge clarnps output to the supplies. (View)
View full Circuit Diagram | Comments | Reading(821)
Published:2009/6/19 1:58:00 Author:May
Schematic of the general-purpose AF amplifier.All resistors are 1/4-W,5%-tolerance carbon-com-position or metal-film units,Equivalent parts can be substituted,General purpose IC replacementsare shown in parentheses (View)
View full Circuit Diagram | Comments | Reading(657)
Published:2009/6/19 1:58:00 Author:May
An inexpensive filter can be made from microprocessor crystals. This filter has 700 Hz BW (3 dB) and has a flat response (<1 dB) for about 400 to 500 Hz. Although a 3-MHz crystal was used, any frequency from 2 to 15 MHz (using fundamental crystal) should work, with appropriate scaling of components. Crystal resonant frequencies should match within 20% and preferably 10% of expected bandwidth (which is narrower as Cx increases. Impedance is reduced with wider bandwidths. (View)
View full Circuit Diagram | Comments | Reading(811)
Published:2009/6/19 1:57:00 Author:May
View full Circuit Diagram | Comments | Reading(703)
Published:2009/6/19 1:57:00 Author:May
The classic state variable two-integrator filter is known for its insensitivity to component varia-tions, and its ability to provide three separate simultaneous outputs-low pass, high pass, and bandpass.Typically, a quad op amp is used to implement the state-variable filter. The classic configuration uses two integrating amplifiers, a filter input amplifier, and a filter feedback amplifier.The design described here combines both input and feedback amplifiers into one adder/subtrac-tor amplifier, achieving a three op-amp filter design (see the figure). (View)
View full Circuit Diagram | Comments | Reading(1835)
Published:2009/6/19 1:55:00 Author:May
Desirable second-order voltage-controlled low-pass filter response can be achieved with this voltage-controlled filter (A). By using low-distortion, wide-bandwidth multipliers, it achieves higher cutoff frequencies than sv(itched-capacitor filters. If the circuit's RC network has a time constant less than 200 ns, it should be replaced by a lag compensator network (B). (View)
View full Circuit Diagram | Comments | Reading(760)
Published:2009/6/19 1:55:00 Author:May
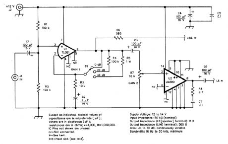
A building block for audio work, the circuit can be used as a general-purpose preamp. Use two circuits for stereo applications. (View)
View full Circuit Diagram | Comments | Reading(909)
Published:2009/6/19 1:54:00 Author:May
The figure shows the schematic of a minute marker. The output of transformer T1 is 12.6 Vac at 60 Hz, which is rectified by D1 and regulated by IC4, and LM7805 regulator, to provide 5 Vdc for the circuit. The unrectified ac is bandpass-filtered by R1, R2, R5, C1, and C2. Resistors R2 and R5 also form a dcvoltqge divider, which biases the input of Schmitt trigger IC3-a to 2.5 V. The Schrnitt trigger generates a 60-Hz square wave, which is fed to the input of IC1, a CE4040 12stage binary counter.The outputs of the counter are a 4081 quad AND gate (IC2), and the decoded output is fed back to the reset input of the counter, which resets the counter when the desired count is reached.The pulse from IC2-d is inverted by Schmitt trigger IC3-d, and passed along to the output pulse generator. The output pulse is generated by two Schmitt triggers cross-connected as an RS flip-flop (IC3-b and IC3-c). The output of the flip-flop is fed to 3, R4, and C3, whose values set the output pulse duration. The output pulse duration (T) can be approximated by the formula T=1.2×C3×(R3+ R4).A positive or negative-going pulse is selected by 51, and buffered by the remaining AND gate (IC2-a). (View)
View full Circuit Diagram | Comments | Reading(891)
Published:2009/6/19 1:54:00 Author:May
View full Circuit Diagram | Comments | Reading(671)
Published:2009/6/19 1:54:00 Author:May
This high-pass filter will attenuate AM stations by 40 dB. Its low-frequency cutoff is about 2.2 MHz. This filter is useful for SW listening in areas of high AM radio signal strength. (View)
View full Circuit Diagram | Comments | Reading(1044)
| Pages:1408/2234 At 2014011402140314041405140614071408140914101411141214131414141514161417141814191420Under 20 |