Published:2009/7/17 5:13:00 Author:Jessie
Applies r-f energy to spot-weld retina back to original position by creating small burn scars. Crystal-controlled electron-coupled oscillator drives class C power amplifier V2. Sample of output is taken through C3, detected in V8, and applied to grid of V5, which amplifies out put changes and applies them to grid of clamp tube V3 to restore output of V2 to desired level .-O. Rick ,Jr. and R.V. Hill, R-F Spot Welder Reattaches Retina of Human Eye, Electronics, 34:32, p 160-163. (View)
View full Circuit Diagram | Comments | Reading(1443)
Published:2009/7/17 5:12:00 Author:Jessie
Uses switched Hartley oscillator, gated-beam amplifiershaper, and series-triggered blocking oscillator to generate distance marks for 2, 5, and and 25 miles in airborne search radar.-NBS, Handbook Preferred Circuits Navy Aeronautical Electronic Equipment, Vol. 1, electron Tube Circuits, 1963, p N8-3. (View)
View full Circuit Diagram | Comments | Reading(631)
Published:2009/7/17 5:11:00 Author:Jessie
Uses switched Hartley oscillator, amplifier-shaper, and parallel-triggered blocking oscillator to generate distance marks for 10 and 40 miles in air. borne scorch radar.-NBS, Handbook Preferred Circuits Navy Aeronautical Electronic Equipment, Vol. 1, Electron Tube Circuits, 1963, p N8-3. (View)
View full Circuit Diagram | Comments | Reading(669)
Published:2009/7/17 5:07:00 Author:Jessie
Uses switched Hartley oscillator, pentode amplifier-shaper, and series-triggered blocking oscillator to generate 1-mile distance marks in airborne search radar. Frequency dividers are used for 10- and 20-mile marks.-NBS, Handbook Preferred Circuits Navy Aeronautical Electronic Equipment, Vol. 1, Electron Tube Circuits, 1963, p N8-2. (View)
View full Circuit Diagram | Comments | Reading(744)
Published:2009/7/17 5:06:00 Author:Jessie
Will operate 10-W 220-MHz portable FM transceiver from AC line. Output voltage is adjustable from 9 to 13 V. DC voltage at point A is about 30V. U1 is 50-V 10-A bridge rectifier Ripple voltage on output is less than 30 mV P-P. - E. Kalin, A No-Junkbox Regulated Power Supply, QST, Jan. 1975, p 30-33. (View)
View full Circuit Diagram | Comments | Reading(996)
Published:2009/7/17 5:05:00 Author:Jessie
Ground pin of LM1558 inverter, while ground pin of negative LM320K-15 is lifted by LM1558 voltage follower. Positive regulator is madeto track negative regulator within about 50 mV over entire output range. At ±15V, typical load regulation is between 40 and 80 mV for 0-1 A pulsed load.- Linear Applications, Vol. 2, National Semiconductor, Santa Clara, CA, 1976, AN-103, p 8-9. (View)
View full Circuit Diagram | Comments | Reading(949)
Published:2009/7/17 5:05:00 Author:Jessie
Power transistors and saturable transformers serve in place of hydrogen thyratrons for generating pulses with 1-megawatt peak power for sonar and radar. Low-voltage capacitor is first charged to voltage that is regulated on pulse-to-pulse basis rather than from regulated supply. Capacitor is then discharged through saturable stop-up transformer L1 to charge high-voltage capacitor, which in turn is discharged through magnetron load.-R. T. Maguire, SCR's to Pulse Radar, Electronics, 37:3, p 14-15. (View)
View full Circuit Diagram | Comments | Reading(1486)
Published:2009/7/17 5:04:00 Author:Jessie
Light-operated relay.The phototransistor can be activated by a flashlight(courtesy Motorola semiconductor Products Inc.). (View)
View full Circuit Diagram | Comments | Reading(1802)
Published:2009/7/17 5:04:00 Author:Jessie
Fairchild 78MG and 79MG positive and negative voltage-regulator ICs pro-vide up to 500-mA output, with protection against short-circuits and thermal overloads.-D. Schmieskors, Adjustable Voltage-Regulator ICs, Ham Radio, Aug. 1975, p 36-38. (View)
View full Circuit Diagram | Comments | Reading(1492)
Published:2009/7/17 5:02:00 Author:Jessie
Combination of LM195 power transistor IC and standard LM105 regulator gives better than 2-mV load regulation with overload protection. Differential between input and output voltages is only 2 V.- Linear Applications, Vol. 2, National Semiconductor, Santa Clara, CA, 1976, AN-110, p 4. (View)
View full Circuit Diagram | Comments | Reading(760)
Published:2009/7/17 5:00:00 Author:Jessie
Motorola MC1723G regulator, 2N5991 current-boost transistor, and base-emitter junction of 2N5190 transistor CR1 serve as adjustable bias voltage source for 300-W solid-state power amplifier. R3 sets current limiting at about 0.65 A. Measured output-volt-age variations are about ±6 mV for load changes of 0 to 600 mA, -H. O. Granberg, One KW-Solid-State Style, 0ST, April 1976, p 11-14. (View)
View full Circuit Diagram | Comments | Reading(1434)
Published:2009/7/17 5:00:00 Author:Jessie


Novel full-wave voltage doubler formed by diode bridge and C1-C2-C3 provides 39 V required by μA723 regulator whose output is continuously variable with R1. Initially, R2 is adjusted for minimumoutput voltage when R1 is maximum counterclockwise, to balance bridge R1-R2-R3-R4 when output voltage is zero. Value used for RSC determines short-circuit current. Raw DC supply provides separate 25 V for pass transistors. - L. Drake, Variable Voltage Power Supply Uses Minimum Components, EDN Magazine, Aug. 5, 1974,p 80 and 82.
(View)
View full Circuit Diagram | Comments | Reading(1244)
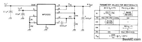
Published:2009/7/17 4:58:00 Author:Jessie
Provides fixed output voltage at value determined by choice of resistance values, computed as given in table. Heat-sink should have very low thermal resistance.For similar range of negative voltages, Motorola MPC900 regulator can be used, with circuit modified slightly as set forth in article.-H. Olson, Second-Generation IC Voltage Regulators, Ham Radio, March 1977, p 31-37. (View)
View full Circuit Diagram | Comments | Reading(686)
Published:2009/7/17 4:57:00 Author:Jessie
Light-relay-operated SCR alarm circuit(courtesy Motorola Semiconductor Pro-ducts Inc.). (View)
View full Circuit Diagram | Comments | Reading(845)
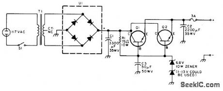
Published:2009/7/17 4:57:00 Author:Jessie
Simple supply was developed for use with 2-meter FM transceiver when operating in home Power transistors are Radio Shack 276-592 rated 40 W. T1 is 12.6 V at 3 A, and U1 is 276-1171 rated 100 V at 6 A. Article covers construction.-M. L. Lovell, 12 Inexpensive Volts for Υour Base Station, 73 Magazine, Sept. 1976, p 60-62. (View)
View full Circuit Diagram | Comments | Reading(710)
Published:2009/7/17 4:57:00 Author:Jessie
Photo-driven pulse stretcher (courtesy Motorola Semiconductor Products Inc.). (View)
View full Circuit Diagram | Comments | Reading(686)
Published:2009/7/17 4:54:00 Author:Jessie
Battery operated fluorescent light for one or two 8-watt units. The circuit is a simple transistor inverter operated by a 12-volt battery. T1 is 200 turns of AWG #32 magnet wire in two layers of 100 turns each. Cover the first layer with electrical tape before starting the second. Then cover the second with tape. Mark the two ends as start (S) and finish (F); mark this winding as N1. Next wind N2 as six turns of AWG #32 magnet wire over N1 in the same direction. Mark each end of N2 with start (S) and finish (F). Then wind N3 as eight turns of AWG #20 magnet wire over N2 in the same direction. Mark N3 with S and F leads. Each layer should have electrical tape over it (courtesy General Electric Company). (View)
View full Circuit Diagram | Comments | Reading(1288)
Published:2009/7/17 4:52:00 Author:Jessie
This circuit shows one section of an LM3900 that is used to form a squaring amplifier for use with a variable-reluctance transducer. The circuit produces symmetrical hysteresis above and below the zero-output state (for noise immunity), and filters high-frequency input noise disturbances. With the values shown, the trip voltages are about ±150 mV, centered about the zero-output state of the transducer (at low frequencies where the low-pass filter is not attenuating the input signal). National Semiconductor Linear Applications Handbook, 1991 p 247 (View)
View full Circuit Diagram | Comments | Reading(3461)
Published:2009/7/17 4:52:00 Author:Jessie
Automotive battery saver. This circuit uses an SCR and doorbell chime. This complete circuit can be built inside the doorbell chime housing. It is only operational when the dome light and panel light are on. The only time this occurs is when the door is open and the parking or head lights are on. Note that the SCR gate is connected to the car's panel lights (courtesy General Electric Company). (View)
View full Circuit Diagram | Comments | Reading(1374)
Published:2009/7/17 4:51:00 Author:Jessie
Circuit using four sections of Motorola MC7406 provides +12V supply required by MCM6570 8192-bit character generator using 7×9 matrix, along with conventional +5 V.- A CRT Display System Using NMOS Memories, Motorola, Phoenix, AZ, 1975, AN-706A, p5, (View)
View full Circuit Diagram | Comments | Reading(811)
| Pages:108/291 At 20101102103104105106107108109110111112113114115116117118119120Under 20 |